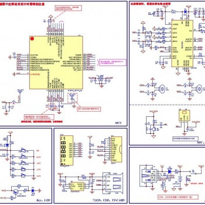
JL杰理现货芯片AC6926C8杰理双声道 带实时时钟RTC蓝牙音箱 方案杰



面议
面议
面议
面议
面议
面议
面议
面议
面议
面议
¥1.65/PCS



| 公司名 | 深圳市杰理科技有限公司 | 经营模式 | |
|---|---|---|---|
| 注册资本 | 未填写 | 公司注册时间 | 2014 |
| 公司所在地 | 广东/深圳市 | 企业类型 | 企业单位 () |
| 保 证 金 | 已缴纳 0.00 元 | 资料认证 |
企业资料通过认证 |
| 主营行业 | AI大本营 , | ||
| 主营产品或服务 | 主营: 集成电路 | ||
通过认证 [诚信档案]
面议
面议
面议
面议
面议